Российский производитель и разработчик сертифицированного измерительного оборудования с 1987 года


Модуль E14-140-M зависает рядом с шумной схемой

Вы не вошли.

 Поиск | Регистрация | Вход 

05.09.2018 19:24:57
#1

Участник
Здесь с 05.09.2018
Сообщений: 11

Модуль E14-140-M зависает рядом с шумной схемой

Здравствуйте, уважаемые участники форума!
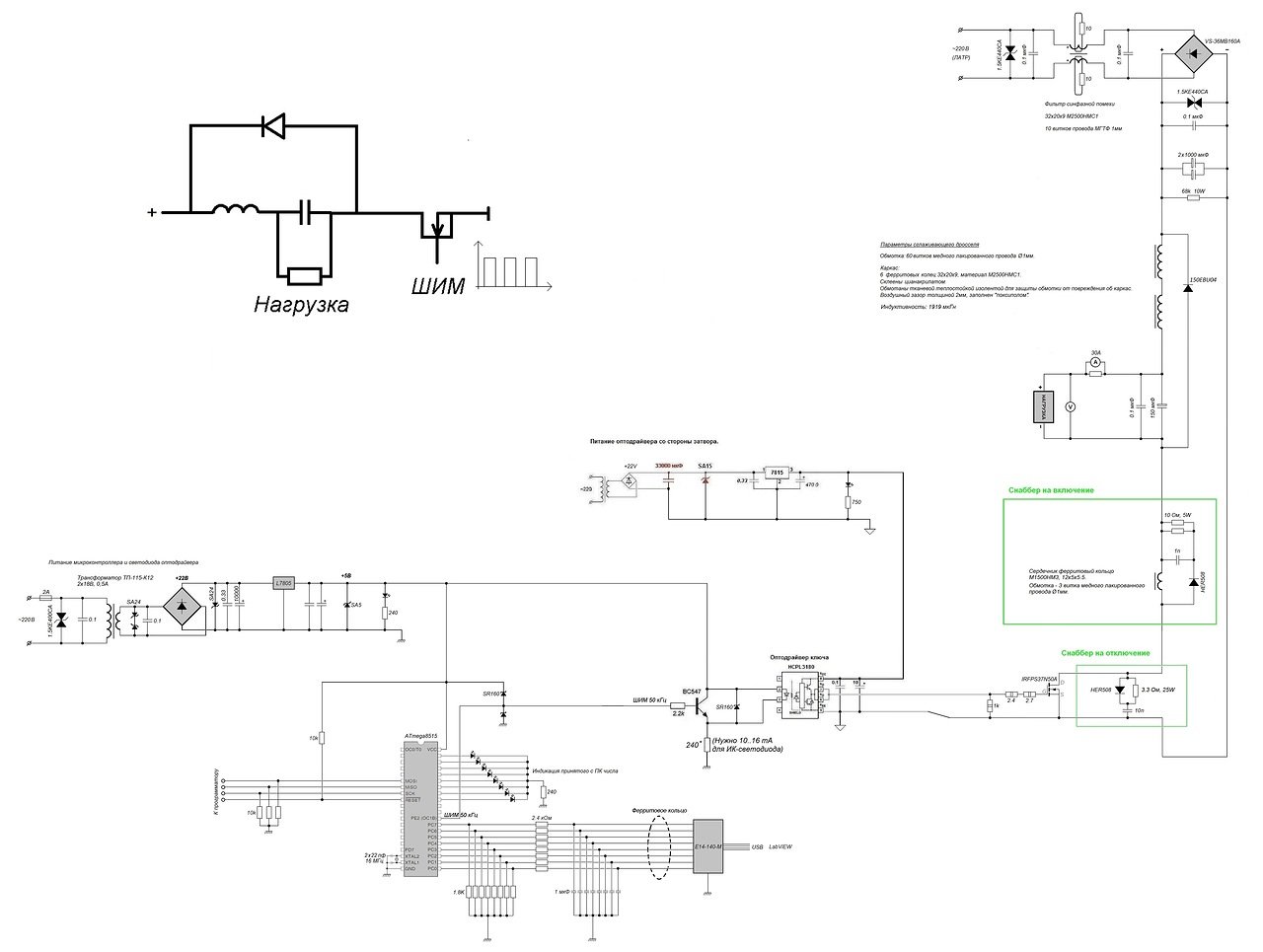
Делаю импульсный регулятор с управлением от компьютера через модуль E-14-140-M. Использую выход Digital.

Схема стандартная. Сетевое напряжение выпрямляется и сглаживается, затем включается-выключается ШИМ-сигналом с частотой 50 кГц и еще раз сглаживается. Выходная мощность регулируется скважностью шим.

Микроконтроллер, управляющий ШИМ-сигналом, через E14-140-M подсоединен к компьютеру, на него через LabVIEW подаётся число от 0 до 255. МК его ловит и раздвигает ШИМ (чем выше число, тем шире импульс).

На этапе настройки подключил регулятор к автотрансформатору и постепенно повышаю напряжение. До 150 вольт регулятор работает нормально, при дальнейшем повышении напряжения E-14-140-M зависает.

Подскажите пожалуйста, могут ли шумы на плате служить причиной зависания E14-140-M? Регулятор достаточно шумный и даёт много помех, но микроконтроллер не зависает, хотя расположен ближе.

Линии, идущие от микроконтроллера к E14-140-M защищаю ферритовым колечком, конденсаторами и резисторами 2.4 кОм, но это не помогает.

Как можно обезопасить модуль от помех и зависания? Есть какие-нибудь стандартные рекомендации или схемы подключения?

Видео здесь https://www.youtube.com/watch?v=1t6Zxtaq6ro

Фото: www.lcard.ru\download\image\e14-140-digout_emc_img.jpg

Схема: www.lcard.ru\download\image\e14-140-digout_emc.jpg  {фото и схема переложены администратором на наш сервер}

05.09.2018 20:00:15
#2

Участник
Здесь с 05.09.2018
Сообщений: 11

Re: Модуль E14-140-M зависает рядом с шумной схемой

Вот программа на LabVIEW: https://yadi.sk/i/CJvaw-1GWI9-0w

E14-140-M работает только на выход, и внешние шумы сбивать её не должны. Но почему-то сбивают. Может линии работают и на вход, и на выход? Можно их перенастроить?

05.09.2018 23:28:45
#3

Инженер-электронщик
Откуда: "Л Кард"
Здесь с 21.04.2014
Сообщений: 4,597

Re: Модуль E14-140-M зависает рядом с шумной схемой

Здравствуйте.
Надо сразу отметить, что этот вопрос, относящийся к ЭМС, задан подробно и в деталях (это бывает крайне редко) - значит, появляется возможность его детально разобрать (я сужу только об аппаратной стороне, программную оценят коллеги - если понадобится). 
Сначала уточняющие вопросы:
1. Тип ПК (стационарный системный блок, ноутбук с выносным монитором или что-то другое?).
2. ПК питается от той же сети ~220V, что указана в схеме?
3. Как заземлён ПК? И заземлён ли от вообще?
4. В Вашей схеме присутствуют цепь логической земли (земля микроконтроллера). Это изолированная цепь от цепи заземления ПК, и от Земли-матушки? Если что-то с чем-то соединено, то с этого места подробнее (как, где, чем соединено, какая длина).
5. В Вашей схеме присутствуют цепь земли в силовой части (пустой треугольник). Эта цепь больше ни к чему не подсоединена, кроме как указано в схеме?
6. Все цепи по разную сторону от оптодрайвера (если всю Вашу схему условно делить пополам по этой границе) сильно разнесены в пространстве? Поясните это подробнее.   
7. Если это стационарный ПК, то у него используете USB-порт  основной (непосредственно с материнской платы) или дополнительный (через внутренний кабель  от материнской платы - обычно разъём вынесен вперёд).
8. ЛАТР, когда Вы считаете, что у него на выходе нулевое напряжение, движок у него оказывается соединённым с фазой сети или с нейтралью?
9. Собственно  "зависание", о котором Вы пишете, возникает непосредственно от какого действия: от изменения напряжения ЛАТРа, от изменения скважности ШИМ, или вообще само собой - непонятно от чего при напряжении ЛАТРа больше 150 В ?
10. Зависимость скважности от кода управления кодируете параллельным двоичным кодом на выходе E14-140-М без сигнала синхронизации?

Отредактировано Гарманов Александр (05.09.2018 23:51:39)

06.09.2018 03:29:43
#4

Участник
Здесь с 05.09.2018
Сообщений: 11

Re: Модуль E14-140-M зависает рядом с шумной схемой

Спасибо большое за отклик! Программу завтра скину ))
1) Стационарный компьютер, обычный SVGA-монитор. Мышь оптическая (проводная тоже глючить начинает вместе с модулем).
2) Всё питается от одной сети 220V.
3) Сеть старая, советская, без третьего заземляющего провода. ничего не заземлено.
4) МК изолирован от силовой части опторазвязкой HCPL3180.
Запитывается МК от отдельного трансформаторного блока питания (зарядка от мобильника).
Опторазвязка со стороны фотоприёмника питается тоже от отдельного трансформатора (бп от принтера 15V).
5) Пустой треугольник - это земля фотоприемника со стороны силовой части, обслуживает только её.
6) Цепи разнесены на несколько сантиметров. Планирую сделать двухслойную печатную плату с общими земляными полигонами по всему низу, но пока отлаживаю на макетках и на навесном монтаже.
7) Разъём USB дополнительный, подсоединён кабелем к материнской плате.
8) Переворачивал вилку и так, и так - глючит в любом случае.
9) Повышаю напряжение на латре до 150V и подаю ШИМ на мосфет. Тут же коробка перестаёт реагировать на команды с LabVIEW.

Если напряжение ниже 150V - подаю, например, 140V , запускаю ШИМ - нагрузка (лампочка) начинает нормально работать - регулируется яркость.

10) Да, параллельный двоичный код без синхронизации с порта Digital. Землю беру с крайних контактов разъёма Digital. Экран (корпус штекера) ни к чему не подсоединён.

06.09.2018 08:46:59
#5

Инженер-электронщик
Откуда: "Л Кард"
Здесь с 21.04.2014
Сообщений: 4,597

Re: Модуль E14-140-M зависает рядом с шумной схемой

Решение вопросов ЭМС - это всегда комплекс мер, а не какая-то одна мера. И в данном случае просматривается "букет проблем" - не маленький. Поэтому мне отвечать придётся в несколько этапов, по мере возможности (запаситесь терпением). По исходным данным мне практически всё ясно, осталось уточнить у Вас только: конечную область применения этой системы  (например, это - разовый исследовательский проект в рамках хобби - только для бытовых условий, учебное оборудование, индустриальная задача - для индустриальных условий эксплуатации, или что-то другое?). В конечном виде эта система  должна занять какую конфигурацию в пространстве? Она останется "разложенной на столе" или будет куда-то упакована (если последнее, то подробно куда)? Вы демонстрируете уже весь необходимый конечный функционал этой системы, или же это только "кубик" для построения более сложной системы с использованием и других входов-выходов E14-140-М, кроме его параллельных цифровых выходов и порта USB?

Отредактировано Гарманов Александр (06.09.2018 08:51:28)

06.09.2018 10:52:05
#6

Инженер-электронщик
Откуда: "Л Кард"
Здесь с 21.04.2014
Сообщений: 4,597

Re: Модуль E14-140-M зависает рядом с шумной схемой

Ответы на вопросы "области применения" сильно связаны с разными аспектами ЭМС и электробезопасности, без которых здесь явно не обойтись. Сначала подожду Вашего ответа.

06.09.2018 13:27:58
#7

Участник
Здесь с 05.09.2018
Сообщений: 11

Re: Модуль E14-140-M зависает рядом с шумной схемой

Работаю в Институте высоких температур РАН, делаю регулируемый источник питания для установок индукционного нагрева https://www.youtube.com/watch?v=0eZLsPGjegQ&t=3s 
Нагреваем металлические образцы. Потребуется несколько штук регуляторов. Индукционка работает нормально, а вот на регуляторе застрял. Скорей всего, это индустриальная задача.
Хочу спрятать её в металлический корпус (например от компьютера или https://www.chipdip.ru/catalog-show/aluminum-cases.
Потребуется автоматизация, поэтому применяем E14-140. Другие входы пока не задействую, только USB и Digital.

06.09.2018 15:53:29
#8

Инженер-электронщик
Откуда: "Л Кард"
Здесь с 21.04.2014
Сообщений: 4,597

Re: Модуль E14-140-M зависает рядом с шумной схемой

1. Если это - индустриальная задача (я рад, что убеждать в этом мне не пришлось), используется стационарный системный блок ПК, требующий защитного заземления (поскольку штатная цепь защитного заземления там предусмотрена через сетевую вилку), то системный блок такого ПК мы обязаны заземлить ( по поводу цепи заземления ПК читайте статью http://www.lcard.ru/support/faq/pc_gnd_connect ). Это является здесь базовым тезисом, от которого будем строить все остальные меры по решению проблем. Это значит, что корус ПК будет связан с заземлением и его материнская плата с портом USB тоже. B это значит, то E14-140-М будет связан у нас с землёй через USB.

2. У Вас сейчас у незаземлённого ПК на его корпусе относительно земли присутствует половина напряжения фазы сети (~110 В) из-за емкостного делителя фаза-корпус, нейтраль корпус в источнике питания ПК.  Это значит, что цифровая логическая земля в Вашей схеме - под потенциалом  (~110 В). С другой стороны, вся силовая часть Вас находится под тем же потенциалом (в усреднённом смысле), поскольку питаете всё это, на сколько я понял, от одной фазы сети. Поэтому, если просто заземлить ПК и больше ничего не делать, то Вы только увеличите вероятность сбоев, поскольку разности потенциалов в системе возрастут (в усреднённом смысле), что вызовет увеличение проблем ЭМС, как ни странно. Следовательно, эту меру необходимо сразу сочетать с другими, см. далее.

3. Наряду с микроконтроллером (на которых строят индустриальные системы), в данном случае, мы также имем дело с модулем E14-140-М с бытовым, по своей сути, интерфейсом USB ( об этом читайте http://www.lcard.ru/support/faq/usb_or_ethernet ), хотя все остальные составляющие компоненты там могут быть, в принципе, вполне применены для индустриальных задач (в соответствующем температурном диапазоне). Что это значит для Вас? Это значит, что все бытовые межблочные соединения (компьютер и внешнее изолированное бытовое оборудование), для которых и был изначально создан интерфейс USB с кабелем (до 5 м по стандарту), в Вашем индустриальном случае будет сбоить, если пытаться применить интерфейс USB как межблочное соединение. - Поскольку при межблочных соединениях USB в индустриальных условиях не обеспечится решение проблем ЭМС как по кондуктивной части, так и по части электромагнитных полей

4. Чтобы приспособить USB к индустриальным условиям, нужно его применить не как межблочный, а как внутриблочный. Но в Вашем случае роль индустриального блока уже назначена системному блоку ПК (это следует из п. 1). В идеале Вы должны поместить  E14-140-М внутрь ПК с внутренними соединениями к USB, или ПК с E14-140-М собрать в одном блоке (это то же самое). Но, отступая от идеала, Вы должны хотя бы имитировать "цепь корпуса" в Ваших сегодняшних подключениях, уменьшая проблемы сначала кондуктивного характера. Внутри блока для цепей без гальваноразвязки  потенциалы цепи общего провода всегда равны. Выровнять потенциалы можно соединяя в одной точке (выбранной на корпусе ПК) отдалённые участки логической земли так, чтобы не создавать сквозных токов по общему проводу
В данном случае, первыми важнейшими мерами являются:

  • Cоединение цепи GND на стороне разъёма DIGITAL c корпусом ПК отдельным проводником с максимальной площадью поверхности (неплохой вариант - "плетёнка", много параллельно соединённых тонких проводов или плоский шлейф, у которого все жилы соединены). Эта точка соединения, выбранная точка на корпусе ПК, фактически будет является точкой сигнального заземления для логической части схемы. К этой точке принципиально нужно подключаться "звездой", а не "последовательным обходом", если потребуется подключать туда более одной точки логической земли Вашей схемы...

  • Проверка наличия всех штатных винтовых соединений материнской платы и источника питания ПК на металлический корпус системного блока.

  • Укорочение длины USB и количества переходных соединений. - Аргумент в пользу подключения к основным портам USB вместо дополнительных.

Предлагаю Вам принять все эти относительно несложные меры (включая п.1 про защитную землю ПК) и сообщить результат. Это далеко не всё, конечно ...

Отредактировано Гарманов Александр (06.09.2018 16:19:24)

06.09.2018 20:44:41
#9

Участник
Здесь с 05.09.2018
Сообщений: 11

Re: Модуль E14-140-M зависает рядом с шумной схемой

А если гальванически развязать USB с помощью микросхемы https://www.chipdip.ru/product/adum4160brwz
Это даст что-нибудь?

06.09.2018 21:21:28
#10

Инженер-электронщик
Откуда: "Л Кард"
Здесь с 21.04.2014
Сообщений: 4,597

Re: Модуль E14-140-M зависает рядом с шумной схемой

Kubrikov пишет:

А если гальванически развязать USB с помощью микросхемы https://www.chipdip.ru/product/adum4160brwz
Это даст что-нибудь?

Это тема уже поднималась: http://www.lcard.ru/forums/viewtopic.php?id=8317
Также см. http://www.lcard.ru/support/faq/Isol_usb_hab_problem
Пока это только уводит разговор в сторону...

06.09.2018 21:23:09
#11

Инженер-электронщик
Откуда: "Л Кард"
Здесь с 21.04.2014
Сообщений: 4,597

Re: Модуль E14-140-M зависает рядом с шумной схемой

Вторым этапом борьбы с влиянием кондуктивных помех необходимо принять следующие меры:
1. Удалить конденсаторы 1 мкФ, подсоединённые к цепям цифровые выходов E14-140-М, хоть они и на стороне микроконтроллера. Эти конденсаторы (явно несовместимые с допустимой нагрузкой на TTL-линии!) сильнейшим образом увеличивают динамические токи потребления по цепи питания USB в момент смены логических состояний выходов (особенно в ситуации, когда половина нулей и половина единиц меняют состояние на противоположные - в этом случае за счёт токовой компенсации в ферритовом дросселе его индуктивность равна нулю!). Этот фактор несомненно добавляет вероятности сбоя модуля по USB на фоне остальных действующих факторов.
2. В качестве эффективной меры повышения помехозащищённости по цифровым линиям от E14-140-М, а также, чтобы увеличить связность  логической земли между E14-140-М  и микроконтроллером, предлагаю увеличить ширину шлейфа примерно вдвое, чередуя цепь земли с сигнальной (монтаж на разъём это усложнит, но реализовать это проблем не составляет).
3. Ввести соединение логической земли микроконтроллера с точкой сигнального заземления на корпусе ПК (о которой шла речь выше).

06.09.2018 22:14:41
#12

Инженер-электронщик
Откуда: "Л Кард"
Здесь с 21.04.2014
Сообщений: 4,597

Re: Модуль E14-140-M зависает рядом с шумной схемой

Третьим этапом нужно заняться минимизацией влияния полей от силовой части:
1. Сетевой фильтр синфазной помехи (его параметры я не обсуждаю) по схеме он требует:
- ещё одного полюса - защитного заземления и Y-конденсаторов относительно заземления со стороны сети ~220 В.
- секции подавления противофазной помехи, которая у Вас при большой мощности просто гигантская, поскольку электролиты 2x1000 мкФ у Вас мгновенно заряжаются через низкое сопротивление диодного моста прямо от сети ~220 В (индуктивность синфазного  дросселя для гигантского тока заряда этих конденсаторов - нулевая!).

2. Ввести цепь экрана силовой части, связанную с защитным заземлением. Это электростатический проводящий экран, который должен, как минимум, разделять пространства между силовой частью и логической, а, как максимум, в этот экран должна быть помещена вся силовая часть... По крайней мере, судя по фото www.lcard.ru\download\image\e14-140-digout_emc_img.jpg, у Вас сейчас пространства не разделены - сетевой фильтр (с вышеописанными помехами при большой мощности) находится около шлейфа цифровых сигналов!   

3. Вам нужно обязательно убедиться, что сглаживающий дроссель ШИМ-регулятора не насыщается. Это проще всего сделать контролем формы тока через него при максимальной мощности нагрузки. Если он насыщается, то это кардинально портит ЭМС этой схемы.

06.09.2018 22:29:23
#13

Инженер-электронщик
Откуда: "Л Кард"
Здесь с 21.04.2014
Сообщений: 4,597

Re: Модуль E14-140-M зависает рядом с шумной схемой

Четвертым этапом, когда проблемы ЭМС будут решены, нужно добавить дополнительный сигнал синхронизации для параллельной цифровой шины и добавить соответствующее управление в ПО. Без сигнала синхронизации микроконтроллер может в какой-то редкий момент считать неустановившиеся уровни сигналов и выдать ошибочное воздействие на ШИМ!

Надеюсь, что тему я раскрыл не только с точки зрения обычной техподдержки, но и с точки зрения физического смысла для лучшего понимания Вами своего инженерного проекта по системной интеграции...

Сообщайте о своих результатах.

06.09.2018 22:44:32
#14

Инженер-электронщик
Откуда: "Л Кард"
Здесь с 21.04.2014
Сообщений: 4,597

Re: Модуль E14-140-M зависает рядом с шумной схемой

Kubrikov пишет:

...E14-140-M работает только на выход, и внешние шумы сбивать её не должны. Но почему-то сбивают. Может линии работают и на вход, и на выход? Можно их перенастроить?

  - Нет, цифровые выходы работают только "на выход", если они разрешены. Если запрещены, то там Z-состояния выходов.

06.09.2018 23:22:40
#15

Инженер-электронщик
Откуда: "Л Кард"
Здесь с 21.04.2014
Сообщений: 4,597
07.09.2018 04:51:32
#16

Участник
Здесь с 05.09.2018
Сообщений: 11

Re: Модуль E14-140-M зависает рядом с шумной схемой

Александр, спасибо за шикарные рекомендации, постараюсь реализовать хотя бы часть!

Подскажите, а usb-развязка ADUM4160 не заработала на E14, или просто пока не проходила испытаний? Хочу её попробовать, она не особо дорогая ))

07.09.2018 05:33:09
#17

Участник
Здесь с 05.09.2018
Сообщений: 11

Re: Модуль E14-140-M зависает рядом с шумной схемой

E14 работает на скорости USB2.0 ?

07.09.2018 08:18:23
#18

Инженер-электронщик
Откуда: "Л Кард"
Здесь с 21.04.2014
Сообщений: 4,597

Re: Модуль E14-140-M зависает рядом с шумной схемой

Kubrikov пишет:

....Подскажите, а usb-развязка ADUM4160 не заработала на E14, или просто пока не проходила испытаний? Хочу её попробовать, она не особо дорогая ))

Введение этого элемента  равносильно разработке нового устройства с гальваноразвязкой, и этот вопрос - вне рамок техподдержки.  Такой проект мы не осуществляли. Устройство работает на full speed, это  режим  usb 1.1.

Если уж говорить о Вашем решении, как системного интегратора, применять USB в качестве межблочного интерфейса в жестких индустриальных условиях, то это грубая ошибка!  (см.  http://www.lcard.ru/support/faq/usb_or_ethernet ) Применять нужно  Ethernet в Вашем случае - это было очевидно еще на этапе выбора оборудования, до осуществления Вашего проекта.

Отредактировано Гарманов Александр (07.09.2018 08:46:02)

07.09.2018 11:10:03
#19

Инженер-электронщик
Откуда: "Л Кард"
Здесь с 21.04.2014
Сообщений: 4,597

Re: Модуль E14-140-M зависает рядом с шумной схемой

Kubrikov пишет:

Александр, спасибо за шикарные рекомендации, постараюсь реализовать хотя бы часть!

Я не берусь определить, какую часть реализовывать из моих рекомендаций, чтобы решить Вашу проблему в данной схеме.

07.09.2018 15:14:25
#20

Участник
Здесь с 05.09.2018
Сообщений: 11

Re: Модуль E14-140-M зависает рядом с шумной схемой

В таком случае возьму самый короткий usb-кабель, поставлю свой импульсник рядом с компьютером, а на индукционку кину длинные питающие провода метров в 10 (там как раз такие расстояния).
А в ЛКарде есть ethernet-модули (или планируется их разработка?

07.09.2018 15:55:23
#21

Инженер-электронщик
Откуда: "Л Кард"
Здесь с 21.04.2014
Сообщений: 4,597

Re: Модуль E14-140-M зависает рядом с шумной схемой

Kubrikov пишет:

А в ЛКарде есть ethernet-модули (или планируется их разработка?

Среди малогабаритных модулей - 
серийные сертифицированные решения с Ethernet 100BASE-TX:
- Крейт LTR-CEU-1-4 c любым модулем LTR.
- Крейт LTR-EU-2-5 c любыми (1-2 шт.) модулями LTR. 
- Модуль E-502-...-EU-....

Во всех этих вариантах имеется стандартная гальваноразвязка Ethernet ( http://www.lcard.ru/lexicon/ethernet_isolation ).

Имеются решения с Ethernet 100BASE-TX и на большее количество модулей LTR.

Отредактировано Гарманов Александр (08.09.2018 07:26:25)

09.09.2018 09:46:33
#22

Инженер-электронщик
Откуда: "Л Кард"
Здесь с 21.04.2014
Сообщений: 4,597

Re: Модуль E14-140-M зависает рядом с шумной схемой

Во всех этих решениях применён протокол TCP/IP поверх Ethernet. Совместно с гальваноразвязкой это обеспечивает высокую помехоустойчивость интерфейса как на физическом уровне, так и на уровне протокола.

Если останавливаться на модуле E-502, то он имеет возможность синхронного цифрового вывода. Диаграмму ШИМ с частотой 1 МГц можно получать у него на выходе (реализуя это программным путём - либо на верхнем программном уровне, либо на уровне его сигнального процессора для модификаций E-502-P). Например, реализуя 10-битный ШИМ, мы получим частоту ШИМ 1 МГц/1024 =  976 Гц на каждом из его 16-ти цифровых выходов.

Система LTR в настоящее время не имеет серийных модулей синхронного цифрового вывода. Среди модулей асинхронного цифрового вывода - LTR42, LTR43.

09.09.2018 15:49:05
#23

Инженер-электронщик
Откуда: "Л Кард"
Здесь с 21.04.2014
Сообщений: 4,597

Re: Модуль E14-140-M зависает рядом с шумной схемой

Если владеете низкоуровневым программированием микроконтроллеров, и если продолжать тему "внутриблочных реализаций" c  USB для получения выхода PWM (ШИМ), то можно предложить ещё более дешевое и более гибкое решение, чем рассматривалось выше - применить модуль E-154 на основе ARM-контролера AT91SAM7S64.
Порт PWM2 этого ARM, модифицируя встроенное ПО, можно  переназначить непосредственно на линию DI7 (контакт 4 на разъёме модуля E-154). Программный интерфейс верхнего программного уровня управления PWM2 фактически уже имеется, поскольку на основе PWM2 реализован простейший двуполярный ЦАП модуля E-154. Останется, возможно, переназначить начальное состояние этого выхода, ввести ему резисторную подтяжку (вероятно, к нулю) и переназначить начальное состояние PWM2.
Размещая E-154 внутри блока, следует пробуферизировать выходной сигнал с линии DI7, чтобы его использовать для межблочной связи. Модуль E-154 удобен для подключения внешних буферных схем, поскольку у него имеются разные напряжения питания на разъёме - возможные варианты такой буферизации рассматриваются в рамках техподдержки.

10.09.2018 21:10:47
#24

Участник
Здесь с 05.09.2018
Сообщений: 11

Re: Модуль E14-140-M зависает рядом с шумной схемой

Подключил компьютер, монитор и осциллограф через развязывающий трансформатор 220/220. Изумительно! E14 зависать перестала!
Помехи, правда, по монитору идут на большой мощности, но это уже надо колдовать с фильтрами и нормальной разводкой платы.

10.09.2018 21:24:40
#25

Участник
Здесь с 05.09.2018
Сообщений: 11

Re: Модуль E14-140-M зависает рядом с шумной схемой

Ну и разумеется, собрать опторазвязку для USB.

Контакты

Адрес: 117105, Москва, Варшавское шоссе, д. 5, корп. 4

Многоканальный телефон: +7 (495) 785-95-25

Письма и запросы: lcard@lcard.ru
Отдел продаж: sale@lcard.ru
Мы работаем с юридическими и физическими лицами, пожалуйста, прикладывайте реквизиты при оформлении заказа
Техническая поддержка: support@lcard.ru

Время работы: с 9-00 до 19-00 мск