Меню
+7 (495) 785-95-25
sale@lcard.ru
sale@lcard.ru
Цена по запросу
В наличии
L-GEN-100 - микропроцессорное устройство, включающее все необходимые функции для управления и защиты генераторных установок (ДГУ). Контроллер может быть использован для организации местного или дистанционного запуска ДГУ, автоматического ввода резерва.
L-GEN-100 - первый контроллер российского производства для решения задач автоматического управления генераторными установками с гораздо более расширенным функционалом по сравнению с зарубежными аналогами.
Возможности:
поддержка параллельной работы
автоматический пуск / останов двигателя
управление, контроль и защита двигателя
управление генераторным и сетевым выключателями
контроль и защита генератора
функция автоматического ввода резерва
широкий выбор режимов управления: ручной, автоматический и дистанционный, с помощью ПК или контроллера
вывод текстовых и диагностических сообщений для оперативного контроля режимов и неисправностей
наличие входов для измерения оборотов двигателя, частоты и напряжения генератора и сети, входы для измерения токов генератора
наличие многофункциональных и конфигурируемых входов / выходов
Преимущества

оптимальное соотношение цены и качества
включает в себя как автоматический, так и ручной режим управления
русскоязычная техническая поддержка
широкие возможности для доработки и расширения функционала
жидкокристаллический дисплей для удобства настройки и отображения основных параметров
продукт отечественного производителя
удобный и интуитивно понятный интерфейс устройства
активная техническая поддержка на всех этапах эксплуатации устройства
полное наличие сертификационных документов

|
Наименование |
Описание |
|
Электропитание |
|
|
Напряжение питания |
|
| Потребляемая мощность | Не более 5 Вт |
| Быстродействие защит | |
|
Быстродействие защит генератора |
Уставка выдержки времени 0 с: не более 300 мс |
| Быстродействие защит сети | Уставка выдержки времени 0 с: не более 300 мс |
|
Измерение переменных напряжений (генератора, сетевых) и силы токов генератора |
|
|
Диапазон измерения переменных напряжений (среднеквадратическое значение) |
|
|
Пределы допускаемой основной относительной погрешности измерения напряжений переменного тока |
±2 % |
|
Входное сопротивление входов измерения напряжения переменного тока |
|
|
Диапазон измерения частоты напряжения переменного тока |
от 18 до 70 Гц |
|
Пределы допускаемой основной относительной погрешности измерения частоты напряжения переменного тока |
±2 % |
| Диапазон измерений силы переменного тока (среднеквадратическое значение) | от 0 до 5 А (от трансформатора тока) |
| Пределы допускаемой приведенной (к верхней границе диапазона измерений) основной погрешности измерения силы переменного тока | ±2 % |
|
Измерение скорости вращения вала двигателя |
|
| Диапазон измерений частоты напряжения переменного тока входом MPU | от 10 до 10000 Гц (в диапазоне входных напряжений от 1,5 до 24 В (среднеквадратическое значение)) |
| Пределы допускаемой основной относительной погрешности измерения частоты входом MPU | ±2 % |
| Диапазон измерений частоты напряжения переменного тока входом W/L | от 10 до 10000 Гц (в диапазоне входных напряжений от 8 до 24 В (среднеквадратическое значение)) |
| Пределы допускаемой основной относительной погрешности измерения частоты входом W/L | ±2 % |
|
Многофункциональные и конфигурируемые входы/выходы |
|
|
Аналоговые входы:
|
|
| Дискретные входы |
Активен от 0 до 0,9 В DC, неактивен от 2,5 В DC до напряжения питания |
|
Токовый выход (4–20 мА) |
Точность ±2 %, максимальное сопротивление нагрузки 100 Ом |
|
Релейные выходы
|
Нагрузочные характеристики:
|
| Цифровые интерфейсы приема и передачи данных | |
| Интерфейс RS-485 |
Интерфейс гальванически развязанный. Скорость фиксированная, 9600 бит/сек. Требуется установка внешнего резистора 120 Ом. Протокол MODBUS RTU. |
| Два интерфейса CAN |
|
| Интерфейс USB | USB 2.0 full-speed |
| Массогабаритные и конструкционные характеристики | |
| Габаритные размеры контроллера | 226 x 176 x 50 мм (ширина, высота, глубина) |
| Масса контроллера | не более 0.8 кг |
| Разъемы | все разъемы имеют различное конструктивное исполнение, исключающее возможность неправильного подключения. |
| Корпус | устойчивость к нагреву и огню |
| Степень защищенности |
|
| Средний срок службы | не менее 5 лет |
| Электромагнитная совместимость | |
| Устойчивость к воздействию электромагнитных помех | согласно ГОСТ 30804.6.2-2013. |
| Помехоэмиссия от контроллера при его работе | соответствует требованиям ГОСТ 30804.6.4-2013. |
|
Условия эксплуатации и хранения |
|
|
Рабочая температура |
от минус 25°С до плюс 70°С |
|
Температура хранения |
от минус 40°С до плюс 70°С |
|
Относительная влажность окружающего воздуха |
100 % при температуре плюс 25°С |
| Доступны к заказу | |
|---|---|
| L-GEN-100-M |
Цена по запросу Контроллер дизельной генераторной установки, RS-485 интерфейс, без режима параллельной работы Поверка не предусмотрена |
| L-GEN-100 |
Цена по запросу Контроллер дизельной генераторной установки, возможность параллельной работы, входы для измерения скорости вращения вала двигателя, 2 CAN интерфейса, USB интерфейс. Поверка не предусмотрена |
Декларация о соответствии Техническим регламентам Таможенного Союза "О безопасности низковольтного оборудования" (ТР ТС 004/2011) и
"Электромагнитная совместимость технических средств" (ТР ТС 020/2011).
Руководство по эксплуатации.
Описание протокола обмена MODBUS для контроллера дизельной генераторной установки L-GEN-100
Руководство оператора
Краткое руководство по использованию программного обеспечения "L-GEN Manager".
Модуль аналоговых выходов L-IO-120. Руководство по эксплуатации.
lgen_manager.zip (размер: 12 780 595 байт, дата: 19.12.2025) [ол]
Программа настройки контроллеров серии L-GEN-100, версия 3.008. Для ОС Windows'7/8.x/10/11.
lgen_usb_driver.zip (размер: 9 046 байт, дата: 05.03.2019) [ол]
Драйвер под ОС Windows'XP/7/8.x/10/11
Для Windows'10/11 рекомендуется вначале поставить драйвер, а только потом подключить контроллер L-GEN-100.
lgen_firmware.zip (размер: 104 278 байт, дата: 19.12.2025) [ол]
Универсальная прошивка контроллеров серии L-GEN-100, версия 3.017.
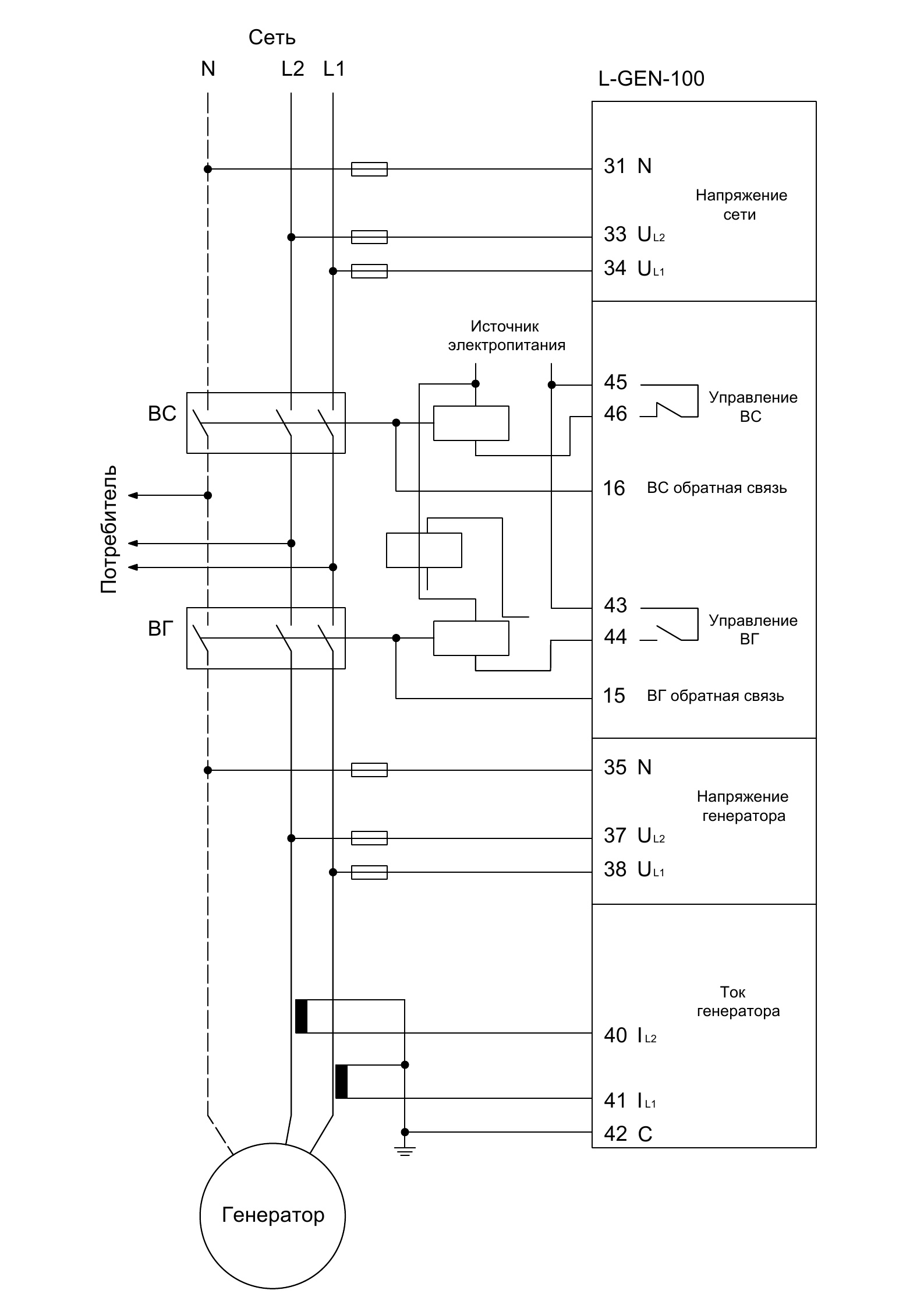
1. Подключение цепей измерения напряжения и силы тока на шинах генератора и сети
2. Подключение датчиков к аналоговым входам контроллера
3. Дискретные входы
4. Подключение датчиков к входам измерения скорости вращения вала двигателя
5. Связь контроллеров по интерфейсу RS485
6. Связь контроллеров между собой по интерфейсу CAN 2 (параллельная работа, режим «СУЭС»)
7. Связь контроллера с модулем аналоговых выходов по интерфейсу CAN 1
Адрес: 117105, Москва, Варшавское шоссе, д. 5, корп. 4
Многоканальный телефон: +7 (495) 785-95-25
Письма и запросы: lcard@lcard.ru
Отдел продаж: sale@lcard.ru
Мы работаем с юридическими и физическими лицами, пожалуйста, прикладывайте реквизиты при оформлении заказа
Техническая поддержка: support@lcard.ru
Время работы: с 9-00 до 19-00 мск
+7 (495) 785-95-25
lcard@lcard.ru