Российский производитель и разработчик сертифицированного измерительного оборудования с 1987 года


Внедрение: 2016 г.

Учёными-химиками из Казахстана и России синтезирован диборид магния из магния и аморфного бора. 

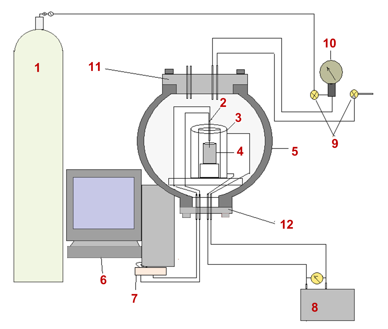
Самораспространяющийся высокотемпературный  синтез (СВ-синтез) в условиях высокого давления аргона проводился на исследовательской установке, представленной на рисунке 1. Корпус реактора емкостью 45 литров снабжен верхней и нижней крышкой. Для увеличения концентрационных пределов проведения СВ-синтеза внутри реактора размещена трубчатая нагревательная печь, позволяющая предварительно нагреть исследуемый образец до 1000 °С. Для измерения температуры процессов СВ-синтеза использовалась Установка измерительная LTR-U-1 c модулем LTR27 для регистрации температур. Топографию и микроструктуру поверхности образцов, а также качественный и количественный анализ состава в точечных областях осуществляли на растровом электронном микроскопе JSM-6510LA «JEOL».

 

Рисунок 1. СВС-реактор высокого давления: 1 - баллон с азотом; 2 – термопара; 3 - трубчатая нагревательная печь; 4 – образец; 5 - корпус реактора; 6 – компьютер; 7 - система сбора данных LTR-U-1; 8 – трансформатор; 9 - впускной и выпускной вентили; 10 – манометр; 11 - верхняя крышка реактора; 12 - нижняя крышка реактора.

 

Изучение микроструктур исследуемых образцов показало некоторое морфологическое отличие структуры продуктов синтеза, полученных различным путем. Диборид магния представлен плотной зернистой структурой, с размером частиц 250-500 нм (рисунок 2а), борат магния имеет рыхлую слоистую структуру с развитой поверхностью и высокой пористостью (рисунок 2).

 

Рисунок 2. Микроструктура, внешний вид и характерные размеры синтезированного диборида магния в системах: a - система Mg–B; б - система Mg–B2O3.

 

Результат проведённого синтеза диборида магния подтвержден данными рентгенофазового анализа.

Одно из важнейших свойств диборида магния – это высокотемпературная сверхпроводимость при относительно невысокой цене, по сравнению с другими сверхпроводниками.

 

Источник: Алипбаев А.Н., Абдулкаримова Р.Г., Фоменко С.М., Мансуров З.А., Зарко В.Е. Получение диборида магния методом СВС в условиях высокого давления аргона // Известия Национальной академии наук Республики Казахстан. Серия химии и технологии. - 2016. - № 2. - С. 11 - 16.

 


Примечание от L-Card: Судя по всему, в составе модуля LTR27 находились субмодули H-27T и H-27R для полноценного решения задачи измерения температуры с помощью термопары, с измерением температуры "холодного спая".

Второй пример применения LTR27 в СВС-реакторе высокого давления приведен в другой статье нашего портфолио.


Разработчик: Алипбаев А.Н., Абдулкаримова Р.Г., Фоменко С.М., Мансуров З.А., Зарко В.Е.

Контакты

Адрес: 117105, Москва, Варшавское шоссе, д. 5, корп. 4

Многоканальный телефон: +7 (495) 785-95-25

Письма и запросы: lcard@lcard.ru
Отдел продаж: sale@lcard.ru
Мы работаем с юридическими и физическими лицами, пожалуйста, прикладывайте реквизиты при оформлении заказа
Техническая поддержка: support@lcard.ru

Время работы: с 9-00 до 19-00 мск