Меню
             
               
  
    
  
            
    
      
      
    
    
      
  
    
  
  
          
         
  +7 (495) 785-95-25
sale@lcard.ru
            
              sale@lcard.ru
 
  
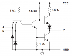
TTL (transistor–transistor logic) – транзисторно-транзисторная логика (ТТЛ) – это устоявшийся с 60-х годов XX-го века стандарт логических элементов, постороенных на транзисторной биполярной технологии с напряжением питания +5 В. Типичный базовый элемент этой технологии – это логический элемент 2И-НЕ типа 7400 (например, SN7400 от Texas Instruments или отечественный аналог К155ЛА3). Принципиальная схема этого элемента показана на рисунке. В последующие годы технология логических элементов совершенствовалась, оставаясь совместимой c прежней. На смену биполярной технологии пришли МОП (CMOS) и другие комбинированные кремниевые технологии. С целью повышения быстродействия выпускались (и выпускаются до сих пор) семейства CMOS, LVTTL логических элементов с уменьшенным напряжение питания: 3,3 В, 2,5 В, и т.д., при этом разработчики элементов всеми возможными техническими способами старались сохранить совместимость по логическим уровням напряжений с классическим базовым TTL-элементом 7400 с напряжением питания +5 В, поскольку за прошедшие 50 лет (!) было порождено немыслимое количество приборов и устройств с TTL входами и выходами.
Перечислим основные характеристики входов и выходов TTL:
Представленные выше характеристики относятся к перым TTL-элементам, которые содержат целый ряд несовершенств, преодолённых впоследствии. В частности, большинство современных CMOS, LVTTL элементов уже имеют симметричные выходные токи логичекого нуля и логической единицы, значительно меньшие входные токи (большее входное сопротивление), некоторые имеют свойство сохранения высокого входного сопротивления при выключенном питании, а также совместимость с входными 5-вольтовым уровнями при собственнном напряжении питания 3,3 В и ниже.
В любом случае, если в документации указан "TTL-совместимый вход или выход", для пользователя это означает, что данный вход (выход) принадлежит большому семейству совместимых TTL-устройств, но с особенностями данного входа и выхода в любом случае нужно ознакомиться в руководстве на данное устройство.
Кроме того, выход любого устройства, который подключается к TTL-совместимому входу, должен обеспечить также разумное время перепада напряжения (для оценки: не более, чем время задержки стандартного TTL-элемента, составляющее порядка 10 нс). На обычный TTL-вход (кроме специального, имеющего гистерезис) не рекомендуется подавать сигнал с длительностями перепадов более 10 нс, поскольку это может вызвать сбой (дребезг, неоднозначное состояние) входного TTL-логического элемента.
Также важно отметить, что стандарт TTL предназначен для организации локальных коротких связей (рекомендуется – длиной менее 0,5 м) в устройствах, имеющих цепь общего провода или общее сигнальное заземление.
Для повышения помехоустойчивости TTL-линий применяют электрическое согласование линий для уменьшения волновых эффектов отражения от несогласованных концов линий.
Если TTL-интерфейс применяется для передачи сигналов синхронизации измерительной системы, то, кроме требований согласованности линий, цепи общих проводов передатчика и приёмника должны быть эквипотенциальны в широкой полосе частот (сотни МГц). Это достижимо при очень хорошей высокочастотной связности цепей общих проводов передатчика и приёмника (либо это должны быть связи значительно короче 0,5 м, либо роль цепи общего провода должна выполнять электропроводная пластина или единое электропроводное шасси блока). Такие усиленные технические меры необходимы для обеспечения низкого уровня вносимых фазовых шумов при передаче сигналов синхронизации.
| Перейти к другим терминам | Cтатья создана: | 09.07.2014 | 
| О разделе "Терминология" | Последняя редакция: | 17.08.2019 | 
Модуль ввода-вывода дискретных сигналов
32 входа/выхода
Модуль АЦП/ЦАП
16/32 каналов, 16 бит, 2 МГц, USB, Ethernet
Плата АЦП/ЦАП
16/32 каналов, 16 бит, 2 МГц, PCI Express
Модуль АЦП/ЦАП
16/32 каналов, 14 бит, 200 кГц, USB
Модуль АЦП/ЦАП
16/32 каналов, 14 бит, 400 кГц, USB
Адрес: 117105, Москва, Варшавское шоссе, д. 5, корп. 4
Многоканальный телефон:+7 (495) 785-95-25
Письма и запросы: lcard@lcard.ru
             Отдел продаж: sale@lcard.ru
 Техническая поддержка: support@lcard.ru
Время работы: с 9-00 до 19-00 мск
 
  +7 (495) 785-95-25
 +7 (495) 785-95-25 lcard@lcard.ru
 lcard@lcard.ru