Российский производитель и разработчик сертифицированного измерительного оборудования с 1987 года


А. В. Гарманов

Рассматривается зависимость межканального прохождения от внутреннего сопротивления источника сигнала и других факторов в АЦП с входным динамическим коммутатором каналов.

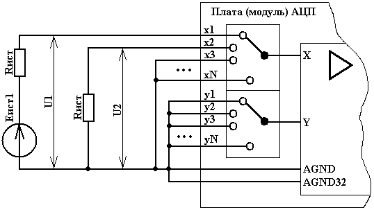
1. Схема измерения межканального прохождения

Межканальное прохождение АЦП оценивается (согласно схеме) как отношение амплитуд спектральных составляющих 1 кГц напряжений U2 и U1, выраженное в децибелах.

Межканальное прохождение зависит от внутреннего сопротивления источников сигнала, от времени опроса канала (частоты АЦП), от коэффициентов усиления аналогового тракта. Для измерений используется синусоидальный сигнал 1 кГц с амплитудой 90-95% от установленного диапазона входного сигнала АЦП. Оба задействованных канала устанавливаются на одинаковый коэффициент передачи, остальные входы заземлены.

Схема измерения межканального прохождения

2. Параметры межканального прохождения

Частота дискретизации АЦП, кГц Время опроса канала, мкс Rист, Ом Межканальное прохождение (дБ), типичные значения
Кu=1 Ku=4 Ku=16 Ku=64

100

10

100

-100 -101 -105 -80

200

5

-99 -99 -101 -44

300

3,3

-97 -97 -90 -32

400

2,5

-97 -96 -72 -27

100

10

1000

-100 -100 -99 -81

200

5

-98 -97 -95 -43

300

3,3

-95 -94 -82 -31

400

2,5

-92 -85 -64 -26

100

10

10000

-87 -82 -75 -58

200

5

-57 -51 -44 -30

300

3,3

-46 -41 -34 -23

400

2,5

-42 -36 -30 -19

Параметры приведены для изделий с коммутаторами ADG409, например L-780, E-440.

3. Пояснения и выводы

  1. Практическое наименьшее межканальное прохождение (см. табл.) ограничено реальным соотношением сигнал/шум данных АЦП, которое составляет около 80 дБ.
  2. Увеличение межканальное прохождения с ростом частоты опроса каналов и с ростом внутреннего сопротивления источника объясняется принципиальной особенностью данного класса АЦП – это наличие постоянной времени входной RC-цепи, где R образовано сопротивлением источника сигнала и проходным сопротивлением ключей, а С – емкость динамических коммутаторов. Собственно явление межканальное прохождения объясняется остаточным (от предыдущего цикла опроса) зарядом емкости С.
  3. Для уменьшения межканального прохождения необходимо:
  • устанавливать максимально возможное (для данной задачи) время опроса канала (минимальную частоту АЦП);
  • применять источники сигнала с наименьшим внутренним сопротивлением;
  • уменьшать длину входных кабелей АЦП.
  • устанавливать наименьшие коэффициенты передачи аналогового тракта (наибольший входной диапазон)
  • 4. Какие дополнительные факторы способны увеличить межканальное прохождение АЦП и помехи

    1. Превышение входных диапазонов каналов АЦП.
    2. Наличие длинных сигнальных кабелей, не подсоединенных к источнику сигнала, даже если соответствующий канал не опрашивается.
    3. Наличие значительной индуктивной составляющей в сопротивлении источника сигнала R ист.
    4. Наличие высокочастотных составляющих входного сигнала с частотой выше Fд/2, где Fд-частота дискретизации отдельно рассматриваемого канала АЦП.

    Контакты

    Адрес: 117105, Москва, Варшавское шоссе, д. 5, корп. 4

    Многоканальный телефон: +7 (495) 785-95-25

    Письма и запросы: lcard@lcard.ru
    Отдел продаж: sale@lcard.ru
    Мы работаем с юридическими и физическими лицами, пожалуйста, прикладывайте реквизиты при оформлении заказа
    Техническая поддержка: support@lcard.ru

    Время работы: с 9-00 до 19-00 мск