Российский производитель и разработчик сертифицированного измерительного оборудования с 1987 года


Внедрение: 2018 г.

Нашу коллекцию ссылок по применению измерительных модулей ООО "Л Кард" в учебном оборудовании пополнила лабораторная работа Национального технического университета (Харьков, Украина) по изучению стенда двухпоточной гидрообъемно-механической трансмиссии (ГОМТ), где применялся модуль АЦП E14‑140‑M.

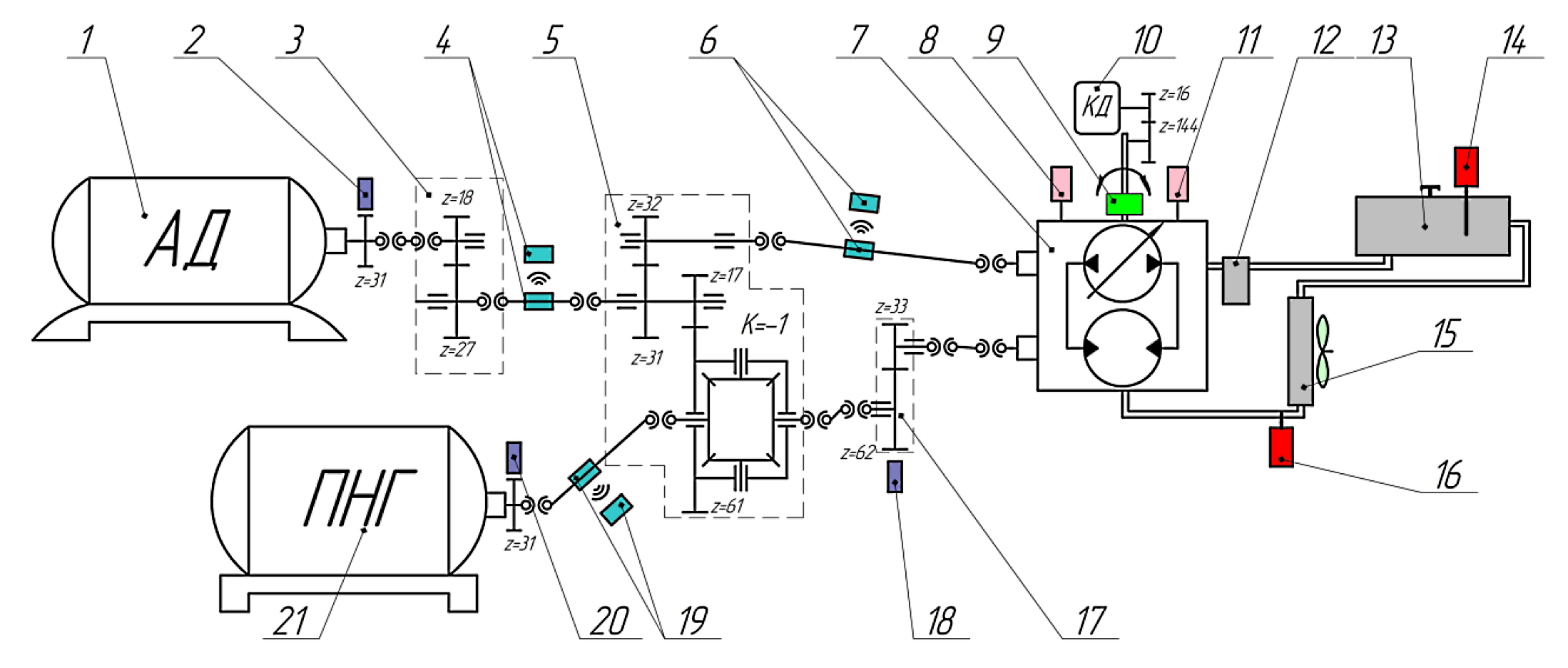
На рисунке 1 приведена кинематическая схема лабораторного стенда ГОМТ и места установки контрольно-измерительных приборов.

Рисунок 1. Кинематическая схема стенда ГОМТ с дифференциалом "на выходе": 1 – асинхронный электродвигатель; 2, 18, 20 – датчики частоты вращения; 3 – понижающий редуктор; 4, 6, 19 – датчики крутящего момента; 5 – блок редукторов с планетарной передачей; 7 – гидрообъемная передача; 8, 11 – датчики избыточного давления; 9 – датчик положения рычага управления ГОП (абсолютный энкодер); 10 – шаговый электродвигатель; 12 – фильтр тонкой очистки; 13 – бак; 14, 16 – датчики температуры; 15 – теплообменник с вентилятором; 17 – согласующий редуктор; 21 – порошковый нагрузочный тормоз.

 

На рисунке 2 представлены основные элементы гидросистемы ГОП GTN Hydraulics 3K10 P090.

Рисунок 2. Гидросистема лабораторного стенда ГОМТ. 1 – бак; 2 – сапун; 3 – теплообменник; 4 – вентилятор; 5 – мановакуумметры; 6 – фильтр тонкой очистки.

 

Для определения перепада рабочего давления насоса в корпусе моноблока GTN Hydraulics 3K10 P090 предусмотрены места для установки датчиков избыточного давления. На стенде использовались датчик давления "Арктур‑03" № 5649 и № 5283 (рисунок 2, справа), предназначенные для непрерывного прямопропорционального преобразования давления в сигнал постоянного тока в диапазоне 0...20 мА.

Максимально приблизить работу трансмиссии в составе лабораторного стенда к режимам работы реального трактора с ГОМТ удалось, используя в качестве нагрузочного устройства порошковый электромагнитный тормоз с регулируемым источником питания. Электромагнитный порошковый нагрузочный тормоз (ПНТ) ПТ‑100М (рисунок 3) использовался для создания статических и переменных по заданному закону нагрузок на выходном валу в промышленных станках и испытательных стендах. 

Рисунок 3. Регулируемый источник питания электромагнитного ПНТ: внешний вид источника питания (слева); принципиальная электрическая схема (справа).

 

В контрольно-измерительном комплексе применялся модуль АЦП E14‑140‑M. Для регистрации, визуализации и обработки аналоговых сигналов использовалась программа LGraph2. Во время проведения исследований результаты всех экспериментов хранились в табличной форме в текстовых файлах-отчетах.

При стендовых лабораторных исследованиях ГОМТ непрерывно и синхронно записывались:

  1. угловые скорости вала электродвигателя, вала порошкового нагрузочного тормоза и вала гидромотора;
  2. избыточное давление на входе и на выходе из гидронасоса; 
  3. крутящий момент на валу электродвигателя, крутящий момент на валу гидронасоса, момент сопротивления на валу нагрузочного тормоза; 
  4. параметр регулировки гидронасоса;
  5. температура на входе в маслоохладитель и в баке. 

Рисунок 4. Контрольно-измерительный комплекс стенда ГОМТ на базе ноутбука.

 

Данная лабораторная работа используется при подготовке магистров по специальности «Автомобили и тракторы» на кафедре автомобиле- и тракторостроения Национального технического университета (Харьков, Украина).

 

Источник:
Методи випробувань та основи сертифікації: методичні вказівки до лабораторних і практичних робіт для студентів спеціальності 133 «Автомобілі і трактори» / уклад. Мандрика В.Р., Мітцель М.О., Кожушко А.П., Островерх О.О. – Харків: НТУ «ХПІ». – 2018. – 70 с.


Разработчик: Национальный технический университет (Харьков, Украина)

Контакты

Адрес: 117105, Москва, Варшавское шоссе, д. 5, корп. 4

Многоканальный телефон: +7 (495) 785-95-25

Письма и запросы: lcard@lcard.ru
Отдел продаж: sale@lcard.ru
Мы работаем с юридическими и физическими лицами, пожалуйста, прикладывайте реквизиты при оформлении заказа
Техническая поддержка: support@lcard.ru

Время работы: с 9-00 до 19-00 мск