Российский производитель и разработчик сертифицированного измерительного оборудования с 1987 года


Внедрение: 2020 г.

В работе [1] на примере аморфных лент сплава Fe73.7Cu1.0Nb3.2Si12.7B9.4 показано влияние процессов нанокристаллизации на магнитоупругое затухание. Анализ внутреннего трения показал существенный вклад гистерезисной составляющей и вклад от микровихревых токов. Измерения магнитоупругих свойств проводились методом электромагнитно-акустического преобразования. При обработке экспериментальных данных использовалась математическая модель, описывающая распространение упругой волны в ленте с большим затуханием. Использование АЦП E20‑10 и оригинального ПО позволило уменьшить систематическую ошибку эксперимента.

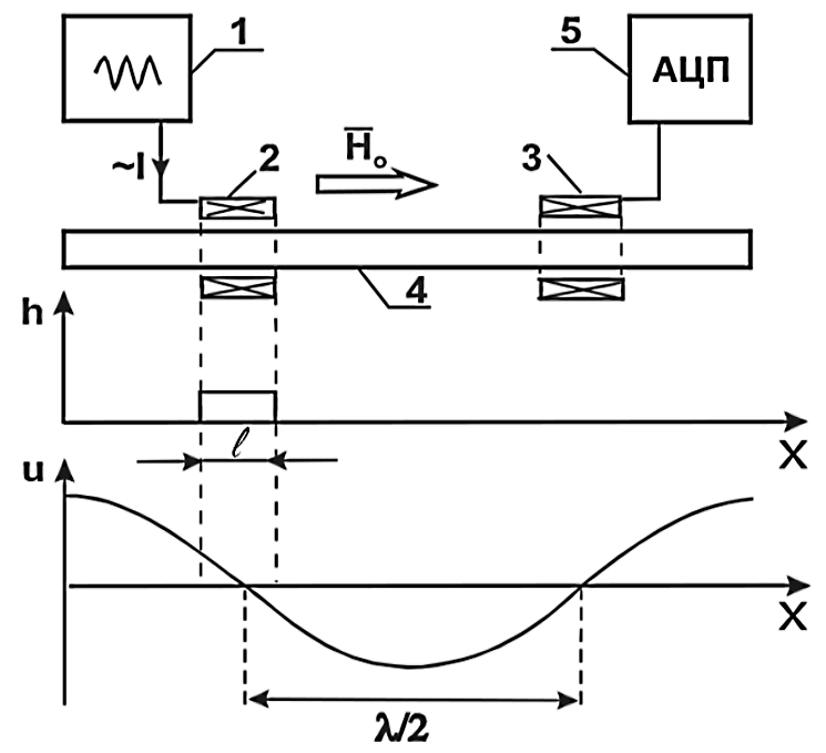
Измерение модуля Юнга и внутреннего трения аморфных лент на основе железа проводилось посредством измерения информативных параметров двойного электромагнитно-акустического преобразования (ЭМАП) в резонансном режиме.

Блок-схема экспериментальной установки представлена на рисунке 1. Опорная пластина с образцом помещалась в продольное магнитное поле (поле поляризации). Генерация и прием сигнала ЭМАП осуществлялись проходными катушками индуктивности. При выбранной геометрии эксперимента в образцах возбуждается нулевая мода Лэмба. Между катушками индуктивности устанавливался экран из медной фольги с целью минимизировать влияние возбуждающей катушки на приемную. Измерения проводились на частоте собственного резонанса s0 – моды Лэмба в диапазоне частот 50–150 кГц.

На предварительно динамически размагниченных образцах измерялись следующие характеристики:

  • ЭДС, индуцируемая в приемной катушке вторичным электромагнитным полем (это напряжение оцифровывается АЦП E20‑10 с частотой дискретизации 10 МГц и регистрируется в памяти компьютера);
  • частота резонанса;
  • затухание ультразвука. Затухание измеряли методом свободно затухающих колебаний.

Рисунок 1. Блок-схема резонансной установки, распределение магнитного h и акустического u полей вдоль образца: 1 – генератор переменной частоты; 2, 3 – возбуждающая и приемная катушки; 4 – образец; 5 – приёмное устройство; Н0 – постоянное магнитное поле (поле поляризации).

 

Для исследования влияния термообработки на магнитоупругие свойства аморфных лент измерения сначала проводились на образце, изготовленном из ленты в исходном (аморфном состоянии). Затем на этом же образце после изотермического отжига в течение 1 часа. Печь для отжига имела бифилярную обмотку и запитывалась постоянным током. По результатам эксперимента анализировалось отношение, позволяющее судить о влиянии отжига на эффективность ЭМА-преобразования.

Зависимость внутреннего трения от амплитуды возбуждающего поля (рисунок 3) и выраженная зависимость от поляризующего поля (рисунок 2) свидетельствуют о большом вкладе гистерезисных потерь в магнитомеханическое затухание.

Рисунок 2. Зависимость внутреннего трения от поля поляризации в сплаве Fe73.7Cu1.0Nb3.2Si12.7B9.4 после отжига при различных температурах: 1 – 360 °С; 2 – 400 °С; 3 – 440 °С; 4 – 480 °С; 5 – 520 °С.

 

Рисунок 3. Зависимость внутреннего трения сплава Fe73.7Cu1.0Nb3.2Si12.7B9.4 от амплитуды переменного возбуждающего поля h после отжига при различных температурах.

 

Рисунок 4. Квазистатическая петля намагничивания сплава Fe73.7Cu1.0Nb3.2Si12.7B9.4 после изотермического (1‑часового) отжига при температуре 460 °С.

 

Экспериментальное изучение внутреннего трения в аморфном сплаве Fe73.7Cu1.0Nb3.2Si12.7B9.4 показало, что нанокристаллизующий отжиг при температурах 440 °C < Тотж < 500 °C приводит к аномальному росту магнитоупругих потерь. Внутреннее трение возрастает в сотни раз. Основной вклад в магнитоупругое затухание в сплаве после нанокристаллизующего отжига вносят гистерезисные потери и потери на микровихревые токи.

Оцифровка, накопление массива, математическая (с помощью модели) и статистическая обработка данных позволили уменьшить систематическую ошибку эксперимента.

 

Источник:
Фёдорова Н.В., Леньков С.В. Исследование магнитоупругих свойств аморфно-кристаллического сплава Fe73.7Cu1.0Nb3.2Si12.7B9.4 и методика эксперимента при использовании электромангитно-акустического преобразования // Химическая физика и мезоскопия. – 2020. – Т. 22, № 4. – С. 448‑457.


Разработчик: Фёдорова Н.В., Леньков С.В. (Удмуртский федеральный исследовательский центр УрО РАН, г. Ижевск)

Контакты

Адрес: 117105, Москва, Варшавское шоссе, д. 5, корп. 4

Многоканальный телефон: +7 (495) 785-95-25

Письма и запросы: lcard@lcard.ru
Отдел продаж: sale@lcard.ru
Мы работаем с юридическими и физическими лицами, пожалуйста, прикладывайте реквизиты при оформлении заказа
Техническая поддержка: support@lcard.ru

Время работы: с 9-00 до 19-00 мск