Меню
+7 (495) 785-95-25
sale@lcard.ru
sale@lcard.ru
В. Буткевич, В. Невзоров, А. Абакумов
При построении измерительных систем цифровой обработки сигналов (ЦОС) для сбора и обработки данных, контроля и управления, особенно связанных с функционированием в производственных условиях, разработчикам приходится сталкиваться с необходимостью обеспечения гальванической развязки измерительных цепей, цепей ввода/вывода данных, с одной стороны, и цепей персонального компьютера, а также цепей цифровой обработки сигналов, с другой. При этом решаются следующие основные задачи:
В настоящее время наиболее широкое распространение получили схемы, использующие два варианта гальванической развязки:
Гальваническая развязка трансформаторного типа предполагает использование магнитоиндукционного элемента с сердечником или без него, напряжение Uвых на вторичной обмотке которого пропорционально напряжению Uвх на входе устройства. При применении трансформаторной гальванической развязки необходимо учитывать следующие её недостатки:
В настоящее время в связи с развитием технологии полупроводниковых устройств расширяются возможности по использованию оптоэлектронных развязывающих устройств, оптических вентилей (оптронов). Принцип работы оптрона проиллюстрирован на рис. 1. Светоизлучающий диод, p-n-переход которого смещён в прямом направлении, излучает свет, воспринимаемый фототранзистором. Таким образом, осуществляется гальваническая развязка цепей, связанных со светодиодом, с одной стороны, и с фототранзистором, с другой.

К достоинствам оптоэлектронных развязывающих устройств можно отнести:
В данной статье обобщён положительный опыт создания систем ЦОС с гальваноразвязкой в ЗАО “"Л Кард"”. Основанием для этого является не только субъективная причина лучшего знакомства авторов с этими изделиями, но и ряд объективных факторов. В нашей стране основное серийное производство электроники для систем сбора данных на базе ЦОС для сторонних потребителей сосредоточено в ЗАО “"Л Кард"”, Центре АЦП “Руднев-Шиляев”, АОЗТ “Инструментальные системы” и ЗАО “Компания Сигнал”. Отечественные устройства ЦОС с гальваноразвязкой в последнее время поставляли лишь ЗАО “"Л Кард"” и Центр АЦП ЗАО “Руднев-Шиляев”. В то время как Центр АЦП ЗАО “Руднев-Шиляев” предлагает лишь несколько типов встраиваемых плат с гальваноразвязкой на шину ISA, в номенклатуре ЗАО “"Л Кард"” представлен весьма широкий спектр исполнения изделий (встроенные платы на шины ISA и PCI, внешний модуль АЦП, модули крейтовой системы). Кроме того, важным фактором продвижения систем ЦОС в нашей стране является цена изделия при условии соблюдения гарантированного качества продукции. В этом отношении изделия ЗАО “"Л Кард"” являются показательными. Это обусловлено тем, что:
Основные характеристики упоминаемых изделий приведены в таблице:
| Устройство | Интерфейс / скорость передачи данных | Подавления индустриальных помех, дБ | Максимальная частота преобр. | Тип гальванической развязки | Напряжение развязки, В | Цена канала АЦП, у.е. |
| L-264 | ISA / 200-300 кСлов/сек. | 100 | 200 кГц | Групповая | 1500 | 7,5 |
| L-761 | PCI / до 10 Мбайт/с
|
100 |
125 кГц |
Групповая |
500 |
10 |
|
Шина крейтовой системы LTC |
100 |
100 кГц |
Поканальная |
500 |
35 |
|
| LC-111 | Шина крейтовой системы LTC | 100 | 50 кГц | Групповая | 500 | 6 |
| E-24 | СОМ порт / до 57600 бод. | 100 | 1 кГц | Групповая | 500 | 43 |
В системах сбора данных ЗАО “"Л Кард"” нашли применение как трансформаторный, так и оптоэлектронный способы реализации гальванической развязки. Трансформаторный тип применяется для развязки линий электропитания, что даёт возможность создания источников вторичного питания устройств. Оптоэлектронные компоненты используются для развязки сигнальных магистралей.
Наиболее показательными с точки зрения развития и практической реализации схемы гальванической развязки являются платы сбора данных на шину ISA и PCI (соответственно, L-264 и L-761).
Гальваническая развязка плат ввода/вывода большинства производителей средств сбора данных используется для согласования интерфейсных линий шины данных персонального компьютера и узлов самой платы. Обычно при использовании параллельного способа передачи данных между шиной компьютера и платой ввода/вывода введение гальванической развязки понижает надёжность и увеличивает стоимость системы. Это обусловлено необходимостью использования для развязки информационных линий шины большого количества оптронов, представляющих собой наиболее уязвимые с точки зрения надёжности, и дорогие с точки зрения цены элементы.
Для частичной компенсации упомянутых недостатков введения гальваноразвязки специалистами “"Л Кард"” предложен и реализован иной способ управления гальванической развязкой, предполагающий использование меньшего числа оптронов и, следовательно, гарантирующий более высокую надёжность и низкую стоимость устройства. Он основан на применении частичного мультиплексирования линий связи между компьютером и платой ввода/вывода. Такой подход даёт возможность уменьшить необходимое количество гальваноразвязанных магистралей передачи данных и оптоэлектронных компонентов развязки.
В частности, обмен данными между опторазвязанными элементами системы в платах L-264 осуществляется потетрадно, а в платах L-761 — побитно. Управление передачей данных через гальваническую развязку в первом случае осуществляется сигнальным процессором ADSP2184/85, а во втором — микроконтроллером AVR90S2313 фирмы Atmel.

В основе построения АЦП/ЦАП L-264 из семейства плат на шину ISA, структурная схема которой приведена на рис. 2, лежит идея гальванического разделения как аналоговых, так и цифровых узлов ввода/вывода и цепей персонального компьютера. Её реализация даёт возможность осуществить полную гальваническую развязку не только АЦП и ЦАП, но и цифровых блоков обмена данными. При этом в плате L-264 применена оптоэлектронная развязка сигнальных проводников и трансформаторная — цепей вторичного питания схемы.
Находящийся на плате сигнальный процессор ADSP2105 фирмы Analog Devices производит цифровую обработку измеряемого сигнала, управляет вводом/выводом сигналов и обменом информацией с ПК, а также контролирует работу оптронов гальваноразвязки.
Дальнейшего совершенствования системы гальванической развязки удалось добиться в платах АЦП/ЦАП L-761. Её структурная схема дана на рис. 3. Функционально она разделена на две гальванически развязанные части. На опторазвязанной с компьютером стороне находятся микроконтроллер AVR, который обеспечивает функционирование последовательного АЦП AD7894 и цепей коммутации входных сигналов, и ЦАП AD7294, управляемый непосредственно цифровым сигнальным процессором (ЦСП). Кроме того, микроконтроллер AVR управляет цепями коммутатора входных сигналов, коэффициентом усиления программируемого усилителя, частотой запуска АЦП и, при необходимости, синхронизацией ввода данных.

На другой стороне опторазвязки расположен контроллер PCI (микросхема PCI9050-1), обеспечивающая обмен данными с компьютером через интерфейс PCI, цифровой сигнальный процессор (ЦСП), а также порт внешних цифровых линий. ЦСП осуществляет получение данных с АЦП, управление работой микроконтроллера AVR с помощью одного из своих последовательных портов SPORT0, обеспечивает также взаимодействие с микросхемой двухканального ЦАП через последовательный порт SPORT1 и управление внешними цифровыми линиями.
Использование ЦСП позволяет производить цифровую обработку входных аналоговых сигналов в режиме реального времени. При этом аппаратные и программные ресурсы персонального компьютера не задействуются в процессе преобразования и обработки сигнала. Применение цифровых сигнальных процессоров фирмы Analog Devices ADSP2184/85, снабженных каналом IDMA (Internal Data Memory Access), дало возможность отказаться от режима Bus-master за счёт использования прямого доступа к памяти сигнального процессора, выполняющего в этом режиме функции двухпортового ОЗУ. За счёт этого уменьшена цена плат без заметного снижения скорости обмена данными по системной магистрали.

На рис. 4а и 4б приведены, соответственно, фрагменты принципиальных схем приёмника и передатчика сигналов с гальванической развязкой. В качестве развязывающего узла схемы L-761 использована оптопара HCPL-2630 фирмы Hewlett Packard, обладающая наилучшими быстродействием, временной и температурной стабильностью.
Гальваническая развязка входных цепей платы и цепей персонального компьютера предполагает использование вторичного источника питания, выполненного на основе трансформаторного преобразователя напряжения VCC (+5 В) и +12 В, формируемого источником питания персонального компьютера, в гальванически не связанные с ним напряжения +5 В, +15 В и -15 В. Его принципиальная схема приведена на рис. 5.

Приведенная схема, обладая малыми габаритными размерами и массой, имеет КПД, достаточный для питания входных аналоговых цепей схемы.
Замечание: Особенностью платы L-761 является использование вместо дискретных логических элементов, установленных на плате L-264, контроллера фирмы Atmel AVR AT90S2313, позволяющее осуществить последовательный высокоскоростной обмен данными между гальванически-развязанными узлами только по двум линиям. За счёт такого технического решения, по сравнению с платами L-264, вдвое уменьшается количество оптронов, необходимое для передачи данных, что значительно упрощает конструкцию, повышает её надёжность и удешевляет стоимость платы.
Дальнейшее развитие методы гальванической развязки нашли в модулях модульной измерительной системы LTC.
Модульные измерительные системы предназначены для реализации систем сбора данных, выполнения операций управления и контроля в промышленности, а также сбора и обработки результатов экспериментов и испытаний. При этом во многих случаях оказывается эффективным применение измерительных модулей и модулей ввода/вывода цифровых сигналов, управляемых персональными компьютерами в обычном или промышленном исполнении.
ЗАО “"Л Кард"” разработало и поставляет подобные системы в корпусах на базе крейтов серии LTC, подключаемых к ПК при помощи крейт-контроллеров, которые обеспечивают управление процессами измерений и передачи данных с установленных в крейте модулей.
Вся номенклатура модулей, предлагаемых для построения системы сбора и обработки информации на базе LTC крейтов, включает более 30 изделий, которые позволяют построить специализированные системы для тензометрии и виброизмерений, снимать данные с термопар и терморезисторов, осуществлять ввод аналоговых и цифровых сигналов, осуществлять управление реле, реализовывать частотные измерения и функции генератора сигналов.
Среди них модули LC-111 и LC-227 содержат гальваническую развязку, причём, в модуле LC-111 реализована полная групповая развязка, подразумевающая гальваническое разделение предварительно мультиплексированного и оцифрованного входного сигнала, а в модуле LC-227 — полная поканальная развязка, при которой входные аналоговые сигналы не мультиплексируются, а каждый из каналов имеет собственный АЦП и гальваническую развязку.
Модуль LC-111, структурная схема которого приведена на рис. 6, осуществляет коммутацию 16 дифференциальных или 32 синфазных входных аналоговых сигналов, их усиление и преобразование в цифровой код.

Функционирование модуля имеет ряд особенностей:
управление коммутатором производится через цифровую шину крейта;
коэффициент усиления усилителя управляется программно;
для сохранения калибровочных коэффициентов усилителя предусмотрено программируемое ПЗУ.
При выполнении гальванической развязки узлов LC-111 использовались проверенные методы, применяемые в платах АЦП/ЦАП L-264 и L-761.
Принципиальная схема оптоэлектронной развязки сигнальных линий приведена на рис. 4.
Гальваническое разделение питающих магистралей производится с помощью преобразователя трансформаторного типа, формирующего напряжения питания.
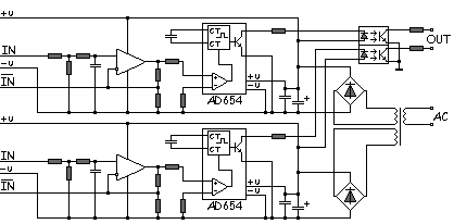
Модуль LC-227 предназначен для установки в крейт LTC и представляет собой 8-канальный усилитель-преобразователь сигналов датчиков с индивидуальной гальванической развязкой каждого канала. Он используется для измерения параметров термопар, терморезисторов и токов. Принципиальная схема модуля дана на рис. 6. Его работа основана на преобразовании аналогового входного сигнала в цифровую последовательность с частотой, пропорциональной величине входного сигнала. В качестве АЦП использованы преобразователи напряжения в частоту (ПНЧ) AD654 фирмы Analog Devices. Применение ПНЧ позволяет повысить точность аналого-цифрового преобразования без повышения требований к характеристикам источника вторичного питания.
При использовании модуля введена индивидуальная калибровка каналов преобразования. Значения калибровочных коэффициентов при этом записываются в ППЗУ модуля.
Замечание: Особенностью гальванической развязки модуля LC-227 является то, что последовательности выходных сигналов АЦП каждого из каналов передаются посредством оптронной пары на вход процессора цифровой обработки сигналов, осуществляющего аналого-цифровое преобразование путём подсчёта числа импульсов АЦП за единицу времени. Введение оптронной развязки в каждый из каналов преобразования даёт возможность повысить помехозащищённость схемы по сравнению с модулями LC-111. Гальваническая развязка модуля LC-227 выдерживает постоянное напряжение 500 В между любым из входов и корпусом прибора, или между входами любой пары каналов в любой модификации модуля.
И, наконец, наиболее совершенная гальваническая развязка, с точки зрения своего технического воплощения, нашла применение при построении внешних модулей АЦП типа E-24, функционирующих под управлением последовательного порта RS232.
Модуль содержит 8 каналов сигма-дельта АЦП разрядностью 22 бит, работающего с максимальной частотой преобразования 1 кГц. В нём предусмотрено программное изменение коэффициента усиления от 1 до 128.
Особенностью модуля является то, что он не требует внешнего источника питания. Питание модуля производится непосредственно от линий квитирования RTS и DTR порта RS232. При этом вторичный источник питания выполнен по схеме с трансформаторной развязкой и имеет максимальное потребление в режиме холостого хода не более 150 мкА. Такое малое потребление достигнуто за счёт использования высокочастотного задающего генератора трансформаторной развязки и высокоэффективных преобразовательных устройств типа charge-pump, выполненных на основе DC-DC преобразователей ADM663 фирмы Analog Devices.
Для уменьшения тока, потребляемого гальванической развязкой сигнальных проводников, использована схема типа push-pull, приведённая на рис. 7.

Благодаря удачным техническим решениям, использованным в модулях E-24, достигнут рекорд потребления среди устройств подобного класса всего в 4 мА в режиме полной загрузки.
Таким образом, проведённый анализ устройств сбора и обработки данных показал, что в настоящее время на российском рынке отечественными производителями достаточно широко представлены конкурентоспособные устройства ЦОС с гальванической развязкой, позволяющие создавать необходимые системы измерения, диагностики и контроля для тех применений, где от оборудования требуется высокая помехоустойчивость, надёжность и безопасность.
Адрес: 117105, Москва, Варшавское шоссе, д. 5, корп. 4
Многоканальный телефон: +7 (495) 785-95-25
Письма и запросы: lcard@lcard.ru
Отдел продаж: sale@lcard.ru
Мы работаем с юридическими и физическими лицами, пожалуйста, прикладывайте реквизиты при оформлении заказа
Техническая поддержка: support@lcard.ru
Время работы: с 9-00 до 19-00 мск
+7 (495) 785-95-25
lcard@lcard.ru